Baru 32+ Skema Lampu Led Motor Ac, Skema Elektronika
Poin pembahasan Baru 32+ Skema Lampu Led Motor Ac, Skema Elektronika adalah :
Baru 32+ Skema Lampu Led Motor Ac, Skema Elektronika memiliki karakteristik menarik sampai kelihatan elegan dan modern akan kita berikan buat kamu secara free rancangan skema elektronika kalian bisa tercipta dengan cepat. Model menarik dapat kalian buat kalau kita pintar dalam membuat kreativitas yang berkaitan dengan desain baik itu penataan segi model. Oleh dari itu diharap desain skema elektronika yang akan kita bagikan berikut ini dapat memberikan tambahan ide untuk membuat skema elektronika serta bisa memperingan kamu dalam membangun skema elektronika impian kamu.

Koleksi Skema Rangkaian Artikel Elektronika August 2020 Sumber elektroarea.blogspot.com

Skema lampu sepeda motor berbagai tipe Sumber auto-champion.blogspot.com

Skema rangkaian lampu rem mobil dan motor Sumber kumpulanrangkaianelektronik.blogspot.com

Skema lampu sepeda motor berbagai tipe Sumber auto-champion.blogspot.com

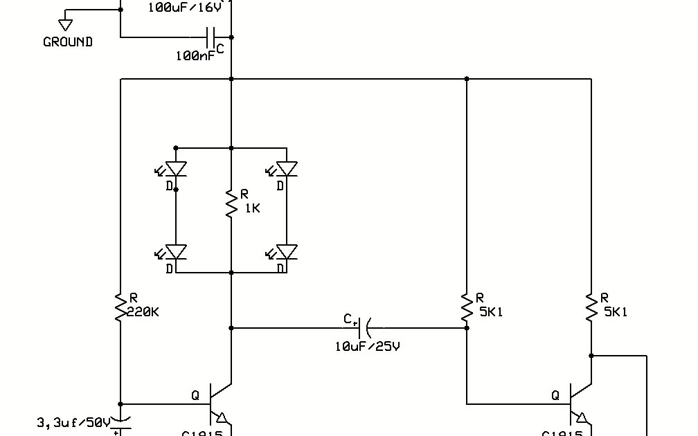
Skema Rangkaian Lampu LED dengan Arus AC tanpa penyearah Sumber kumpulanrangkaianelektronik.blogspot.com

ARWIS BLOG Skema Lampu Kilat Menggunakan LED Sumber awipunna.blogspot.com

ARWIS BLOG Skema Lampu Kilat Menggunakan LED Sumber awipunna.blogspot.com

Setitik embun pagi terusan catatan waktu blogku di Sumber arifjt.blogspot.com

ARWIS BLOG Skema Rangkaian Penyearah Dan Penstabil Sumber awipunna.blogspot.com

SKEMA RANGKAIAN AMPLIFIER Driver Lampu Neon 8 watt dan Sumber skemarangkaianamplifier.blogspot.com

Skema lampu sepeda motor berbagai tipe Sumber auto-champion.blogspot.com

Bikin sendiri rangkaian lampu LED untuk lampu rem motor Sumber motorblitz.com

Rangkaian Lampu LED Untuk Motor 12 Volt Battery Koleksi Sumber elektroarea.blogspot.com

skema lampu led 220 volt Rangkaian elektronik dan Sumber www.pinterest.com

RK MOTOR LAMPU PROJECTOR HID LAMPU LED CREE Sumber regulator-kiprok.blogspot.com

Memasang Relay untuk Lampu Motor S S E Sumber sekawan-servis-electronic.blogspot.com

Skema Kelistrikan Yamaha Mio Pictures Images Photos Sumber photobucket.com

bloger toturial Sumber nikaenpa.blogspot.com

17 Best images about belajar robot on Pinterest Arduino Sumber www.pinterest.com

Membuat Lampu Motor menjadi Terang Michael Orlando Sumber michael-orlando.blogspot.com

Skema Lampu LED Cara Membuat Lampu LED Bulb dari Botol REXONA Sumber gulamskema.blogspot.com

ARWIS BLOG Skema Lampu Kilat Menggunakan LED Sumber awipunna.blogspot.com

Setitik embun pagi terusan catatan waktu blogku di Sumber arifjt.blogspot.com

Rangkaian Lampu LED Untuk Motor 12 Volt Battery Koleksi Sumber elektroarea.blogspot.com

Rangkaian Lampu LED Untuk Motor 12 Volt Battery Koleksi Sumber elektroarea.blogspot.com

DUNIA LED HID MODUL AC TO DC Sumber jayabirawa-motor.blogspot.com

Rangkaian Lampu LED Untuk Motor 12 Volt Battery Koleksi Sumber elektroarea.blogspot.com

Jual Lampu LED R8 6sisi AC Driver 5000Kelvin Kuning Sumber www.bukalapak.com

Jual Lampu Bohlam Motor Led Arus Ac Dc 6sisi di lapak Sumber www.bukalapak.com

Jual Lampu Bohlam Motor Led Arus Ac Dc 6sisi di lapak Sumber www.bukalapak.com

Rangkaian Lampu LED Untuk Motor 12 Volt Battery Koleksi Sumber elektroarea.blogspot.com

Modul Dc Untuk Lampu Bohlam Led Motor Arus Ac elevenia Sumber www.elevenia.co.id

rangkaian led 220v rangkaian led 220v circuit Sumber 2dayassociates.com

RK MOTOR LAMPU PROJECTOR HID LAMPU LED CREE Sumber regulator-kiprok.blogspot.com

cara pasang lampu led depan philips 2 sisi motor yamaha Sumber www.youtube.com
lampu led arus ac, lampu utama led kelistrikan ac, cara memasang lampu led di motor beat karbu, cara pasang lampu motor langsung dari aki, cara pasang lampu led agar aki tidak tekor, lampu led motor tanpa aki, cara pasang lampu led 6 sisi, mengatasi aki tekor karena lampu led,
Baru 32+ Skema Lampu Led Motor Ac, Skema Elektronika memiliki karakteristik menarik sampai kelihatan elegan dan modern akan kita berikan buat kamu secara free rancangan skema elektronika kalian bisa tercipta dengan cepat. Model menarik dapat kalian buat kalau kita pintar dalam membuat kreativitas yang berkaitan dengan desain baik itu penataan segi model. Oleh dari itu diharap desain skema elektronika yang akan kita bagikan berikut ini dapat memberikan tambahan ide untuk membuat skema elektronika serta bisa memperingan kamu dalam membangun skema elektronika impian kamu.

Koleksi Skema Rangkaian Artikel Elektronika August 2020 Sumber elektroarea.blogspot.com

Skema lampu sepeda motor berbagai tipe Sumber auto-champion.blogspot.com

Skema rangkaian lampu rem mobil dan motor Sumber kumpulanrangkaianelektronik.blogspot.com

Skema lampu sepeda motor berbagai tipe Sumber auto-champion.blogspot.com

Skema Rangkaian Lampu LED dengan Arus AC tanpa penyearah Sumber kumpulanrangkaianelektronik.blogspot.com

ARWIS BLOG Skema Lampu Kilat Menggunakan LED Sumber awipunna.blogspot.com

ARWIS BLOG Skema Lampu Kilat Menggunakan LED Sumber awipunna.blogspot.com

Setitik embun pagi terusan catatan waktu blogku di Sumber arifjt.blogspot.com

ARWIS BLOG Skema Rangkaian Penyearah Dan Penstabil Sumber awipunna.blogspot.com

SKEMA RANGKAIAN AMPLIFIER Driver Lampu Neon 8 watt dan Sumber skemarangkaianamplifier.blogspot.com

Skema lampu sepeda motor berbagai tipe Sumber auto-champion.blogspot.com

Bikin sendiri rangkaian lampu LED untuk lampu rem motor Sumber motorblitz.com

Rangkaian Lampu LED Untuk Motor 12 Volt Battery Koleksi Sumber elektroarea.blogspot.com

skema lampu led 220 volt Rangkaian elektronik dan Sumber www.pinterest.com

RK MOTOR LAMPU PROJECTOR HID LAMPU LED CREE Sumber regulator-kiprok.blogspot.com

Memasang Relay untuk Lampu Motor S S E Sumber sekawan-servis-electronic.blogspot.com
Skema Kelistrikan Yamaha Mio Pictures Images Photos Sumber photobucket.com

bloger toturial Sumber nikaenpa.blogspot.com

17 Best images about belajar robot on Pinterest Arduino Sumber www.pinterest.com

Membuat Lampu Motor menjadi Terang Michael Orlando Sumber michael-orlando.blogspot.com

Skema Lampu LED Cara Membuat Lampu LED Bulb dari Botol REXONA Sumber gulamskema.blogspot.com

ARWIS BLOG Skema Lampu Kilat Menggunakan LED Sumber awipunna.blogspot.com

Setitik embun pagi terusan catatan waktu blogku di Sumber arifjt.blogspot.com

Rangkaian Lampu LED Untuk Motor 12 Volt Battery Koleksi Sumber elektroarea.blogspot.com

Rangkaian Lampu LED Untuk Motor 12 Volt Battery Koleksi Sumber elektroarea.blogspot.com

DUNIA LED HID MODUL AC TO DC Sumber jayabirawa-motor.blogspot.com

Rangkaian Lampu LED Untuk Motor 12 Volt Battery Koleksi Sumber elektroarea.blogspot.com

Jual Lampu LED R8 6sisi AC Driver 5000Kelvin Kuning Sumber www.bukalapak.com

Jual Lampu Bohlam Motor Led Arus Ac Dc 6sisi di lapak Sumber www.bukalapak.com

Jual Lampu Bohlam Motor Led Arus Ac Dc 6sisi di lapak Sumber www.bukalapak.com

Rangkaian Lampu LED Untuk Motor 12 Volt Battery Koleksi Sumber elektroarea.blogspot.com
Modul Dc Untuk Lampu Bohlam Led Motor Arus Ac elevenia Sumber www.elevenia.co.id

rangkaian led 220v rangkaian led 220v circuit Sumber 2dayassociates.com

RK MOTOR LAMPU PROJECTOR HID LAMPU LED CREE Sumber regulator-kiprok.blogspot.com

cara pasang lampu led depan philips 2 sisi motor yamaha Sumber www.youtube.com
0 Comments